Caractéristiques
- Type d’accessoire: Moteur
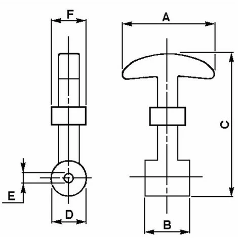
Attache capot mini 65 MM
Attache capot mini 65 MM
Dispositif de fixation en composé de caoutchouc qui garantit l’élasticité tout en assurant le maintient correct du “tirant” sur le capot moteur; dans un même temps la fermeture élastique permet d’absorber les vibrations ainsi que des amplitudes considérables. L’application sert aussi bien pour le nautisme, l’automobiliste et les tracteurs en agriculture ou motoculture de plaisance.
- A mm : 42
- B mm : 20
- C mm : 65
- D mm : 17
- E mm : 4
- F mm : 16














Avis
Il n’y a pas encore d’avis.